首页
阀门主页
企业简介
企业介绍
资质荣誉
阀门产品
闸阀系列
截止阀系列
球阀系列
止回阀系列
蝶阀系列
给排水阀系列
造气阀系列
配件
合作客户
合作企业
新闻资讯
公司新闻
产品百科
联系东升
联系方式
网站地图
当前位置:
首页
>
阀门产品
>
蝶阀系列
阀门产品
闸阀系列
截止阀系列
球阀系列
止回阀系列
蝶阀系列
给排水阀系列
造气阀系列
配件
联系我们
长沙市东升阀门科技有限公司
电话:
86-0731-84081241
84081248
传真:
86-0731-84081241
地址:
中国.湖南.长沙.长沙经济开发区(长沙经开区)东二路南1号
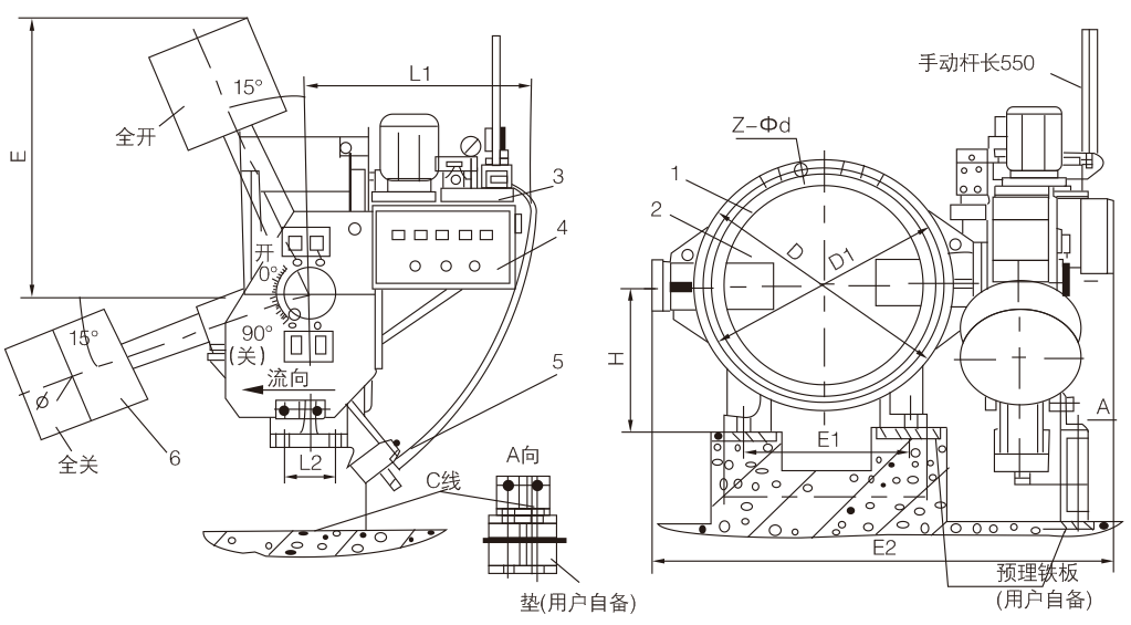
国标自动保压液控蝶阀
更新时间:2019-4-17 | 访问量:3349
上一篇:
国标自动保压液控蝶阀
下一篇:
国标中线对夹式软密封蝶阀
Copyright © 2018
www.东升科技.com
版权所有:长沙市东升阀门科技有限公司
公司地址:中国.湖南.长沙.长沙经济开发区(长沙经开区)东二路南1号
ICP备案:
湘ICP备18022031号-1
网站建设:
润奥网络(“互联网+”服务商)
友情链接
东升科技
东升绝缘
东升阀门
东升地产
东升新能源
欢迎您点击
联系东升阀门!